プレハブ事務所・プレハブ店舗、プレハブ工場のテクノハウス

 




 

テクノハウス(ミリオン Million )

外観、機能、構造の面で卓越したプレハブ
当社独自の外部に柱型(鉄骨)を見せないパネル工法で、従来の組立ハウスのイメージを一変した外観を実現。 プレハブ(テクノハウス)ミリオン
事務所(MFB型)
■外壁断面図
プレハブ建築断面図(ミリオン)
◆外壁に窯業系の防火サイディングを使用し、 防火性・耐候性など品質に優れ、防火認定・ (PC030BE-9201)を受けた外壁材ですから 準防火地域でも建てられます。

◆事務所 ・店舗 ・寄宿舎など様々な用途に 対応出来る高級プレハブです
グレー
ブラウン
ベージュ
レッド
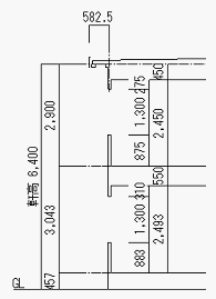
■平屋建断面図
■二階建断面図

ミリオン標準仕様

構  造 軽量鉄骨造 (ブレース構造 :妻・桁共)
基  礎 鉄筋コンクリート布基礎 (別途工事)
屋  根 ルーフデッキ :ガルバリウム鋼板 t=0.5㎜ 勾配片流れ 屋根裏 :ポリエチレンフォーム t=4㎜貼り
破風板 :ガルバリウム鋼板(新茶) t=0.5㎜ H-300 軒  裏 :ルーフデッキ裏あらわし
雨  樋 軒樋-塩ビ M-120(前高)  縦樋-塩ビ 75φ
壁パネル 外  部 :窯業系防火サイディング t=12㎜         
断熱材 :別途工事         
内  部 :別途工事 (壁パネル桟木あらわし)
建  具 アルミサッシ 住宅用半外付 ・ブラウン (壁パネル組込み)
窓  :引き違い窓   NHT-16013 (硝子-FL3)
出入口 :引き違い戸 9TH-16520 (硝子-F4/P)
パネル式 合板 t=12㎜  根太 1F =73×24 2F =88×30 @227.5
天  井 別途工事
柱ブレース 平鋼または丸鋼(内ブレース)
Copyright (c) technohouse.All right reserved powered by kurane movable type